DC Motors
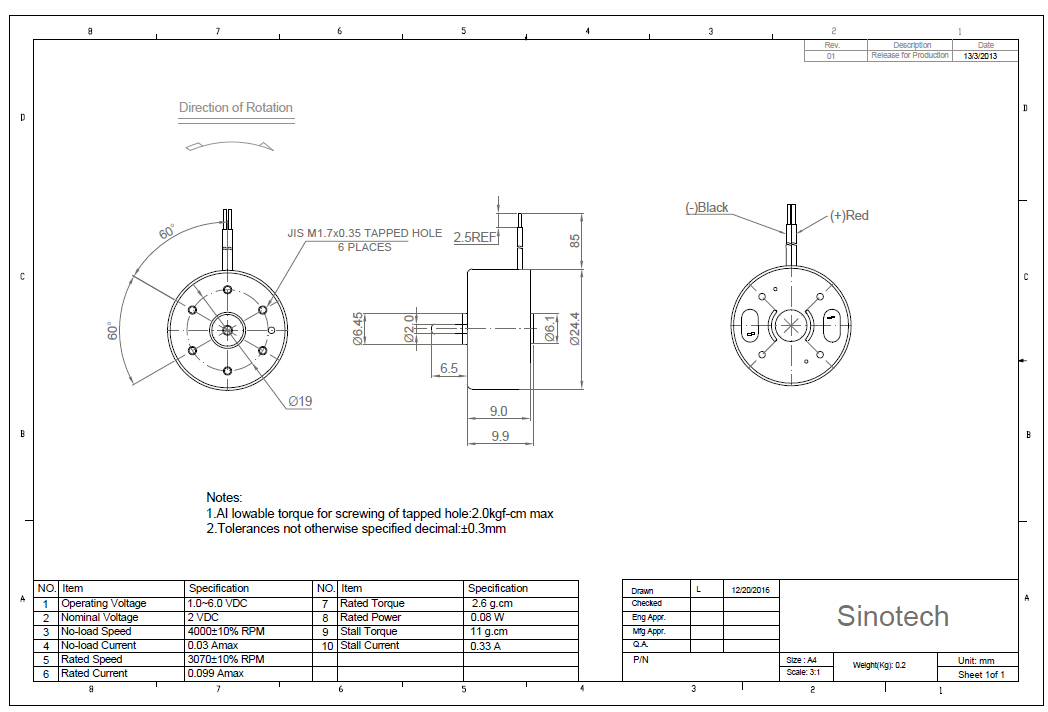
3656 Active
Data Group: 3656
SKU: 1112513
Weight (Kg): 0.1000
Decsription: RF-400CA-12265
HS Code: 8483.40.9000
Applications:

©2003 KYSAN ELECTRONICS All Rights Reserved! www.kysanelectronics.com