DC Motors
3665 Active
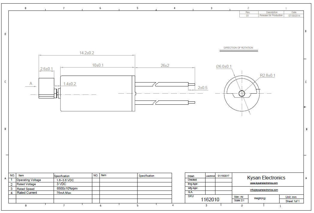
Data Group: 3665
SKU: 1162010
Weight (Kg): 0.2000
Decsription: 6ZK053
HS Code: 8483.40.9000
Applications:

©2003 KYSAN ELECTRONICS All Rights Reserved! www.kysanelectronics.com