Stepper Motors
3352 Active
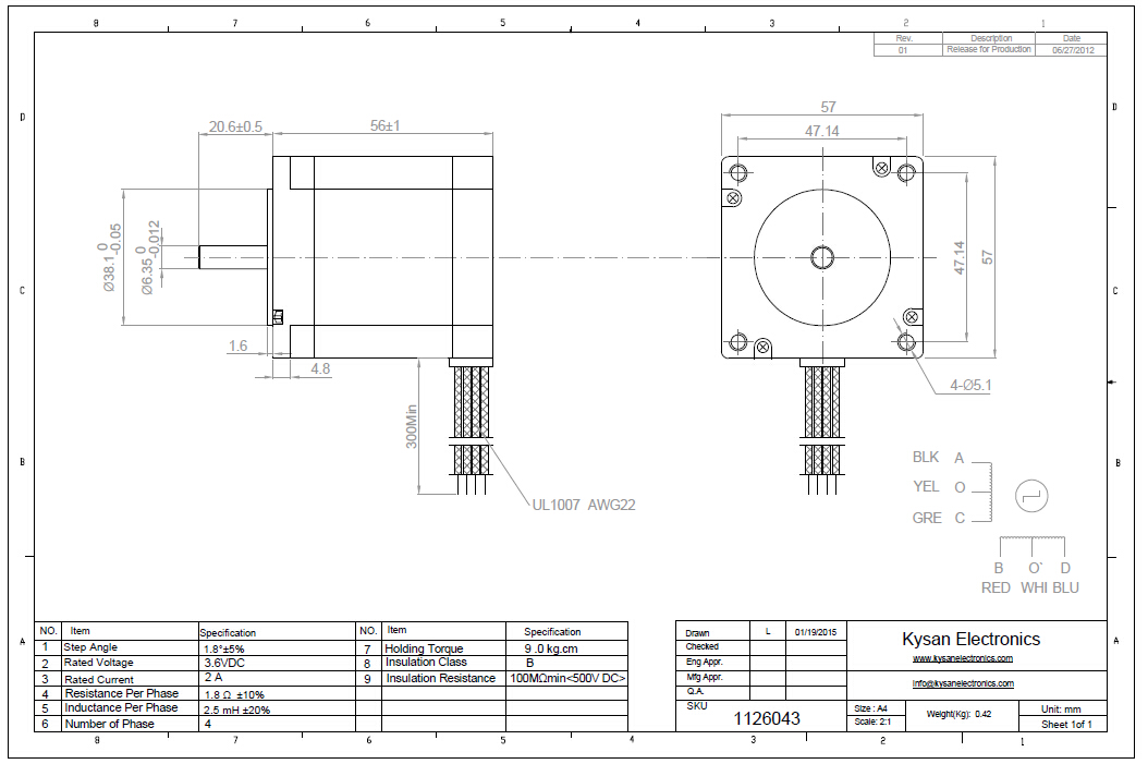
Data Group: 3352
SKU: 1126043
Weight (Kg): 5.0000
Decsription: 57BYGH420
HS Code: 8483.40.9000
Applications:

©2003 KYSAN ELECTRONICS All Rights Reserved! www.kysanelectronics.com