DC Motors
3409 Active
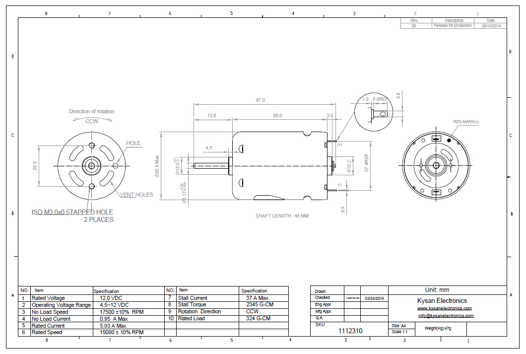
Data Group: 3409
SKU: 1112310
Weight (Kg): 0.5000
Decsription: RS-540SH-5045
HS Code: 8483.40.9000
Applications:

©2003 KYSAN ELECTRONICS All Rights Reserved! www.kysanelectronics.com