DC Motors
3513 Active
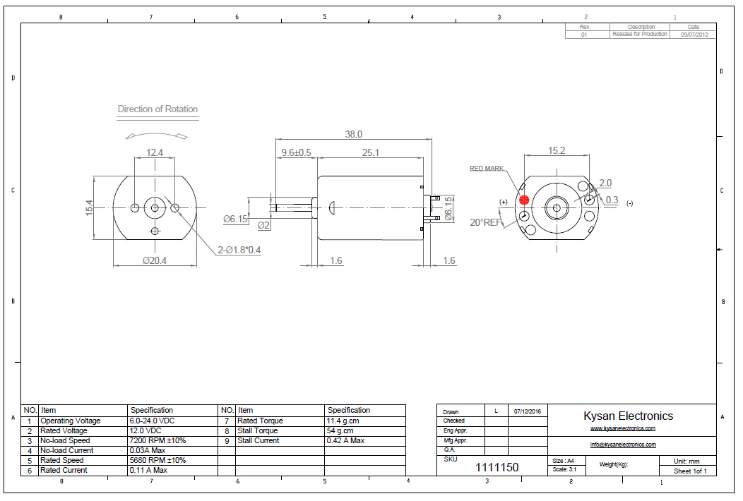
Data Group: 3513
SKU: 1111150
Weight (Kg): 0.1000
Decsription: FK-130SH-09450
HS Code: 8483.40.9000
Applications:

©2003 KYSAN ELECTRONICS All Rights Reserved! www.kysanelectronics.com