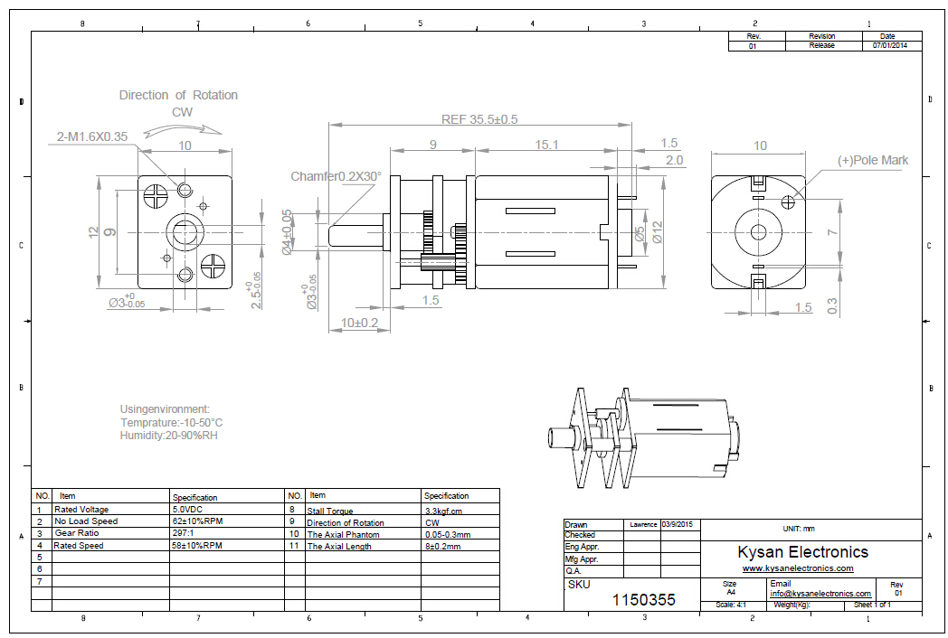
Spur Geared Motors
3383 Active
Data Group: 3383
SKU: 1150355
Weight (Kg): 0.2000
Decsription: A12FT-5V62RPM-10D-CW
HS Code: 8483.40.9000
Applications:

©2003 KYSAN ELECTRONICS All Rights Reserved! www.kysanelectronics.com