Vibrating Motors
3426 Active
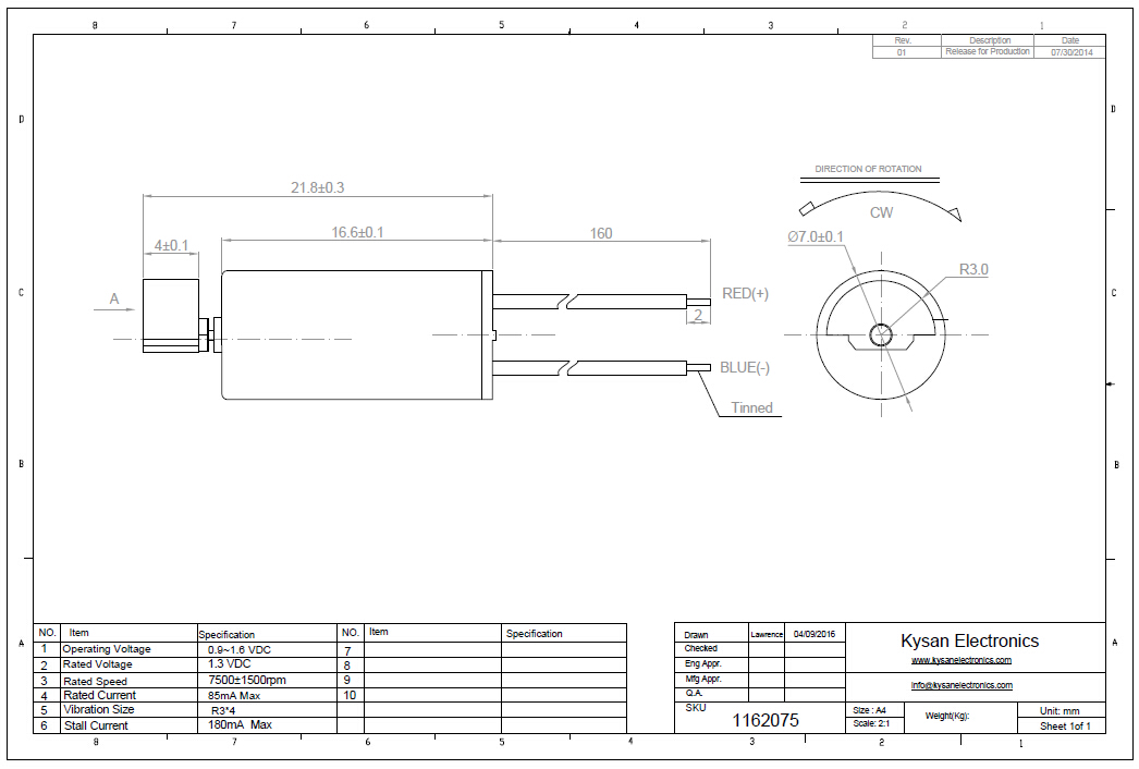
Data Group: 3426
SKU: 1162075
Weight (Kg):
Decsription: 7ZK631-160
HS Code: 8483.40.9000
Applications:

©2003 KYSAN ELECTRONICS All Rights Reserved! www.kysanelectronics.com