Spur Geared Motors
4791 Active
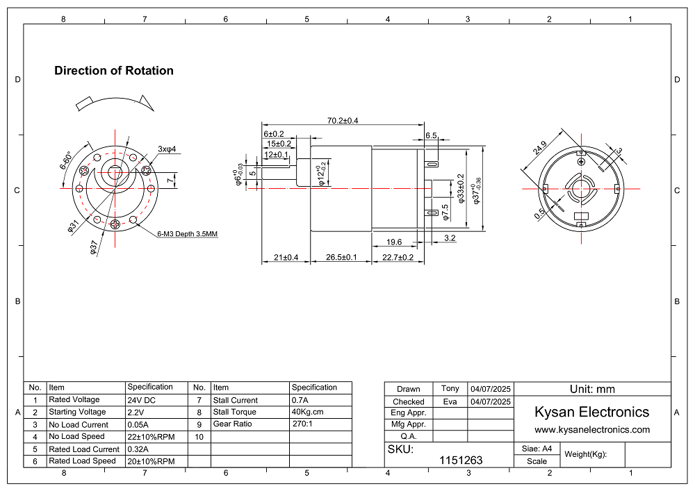
Data Group: 4791
SKU: 1151263
Weight (Kg): 0.5000
Decsription: B38-24V22RPM-15D
HS Code:
Applications:

©2003 KYSAN ELECTRONICS All Rights Reserved! www.kysanelectronics.com