Spur Geared Motors
4810 Active
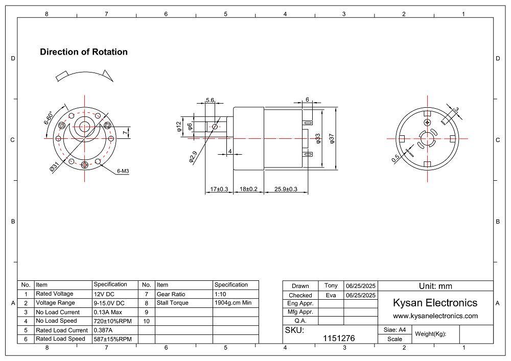
Data Group: 4810
SKU: 1151276
Weight (Kg): 0.5000
Decsription: B38-12V720RPM-10-4
HS Code:
Applications:

©2003 KYSAN ELECTRONICS All Rights Reserved! www.kysanelectronics.com