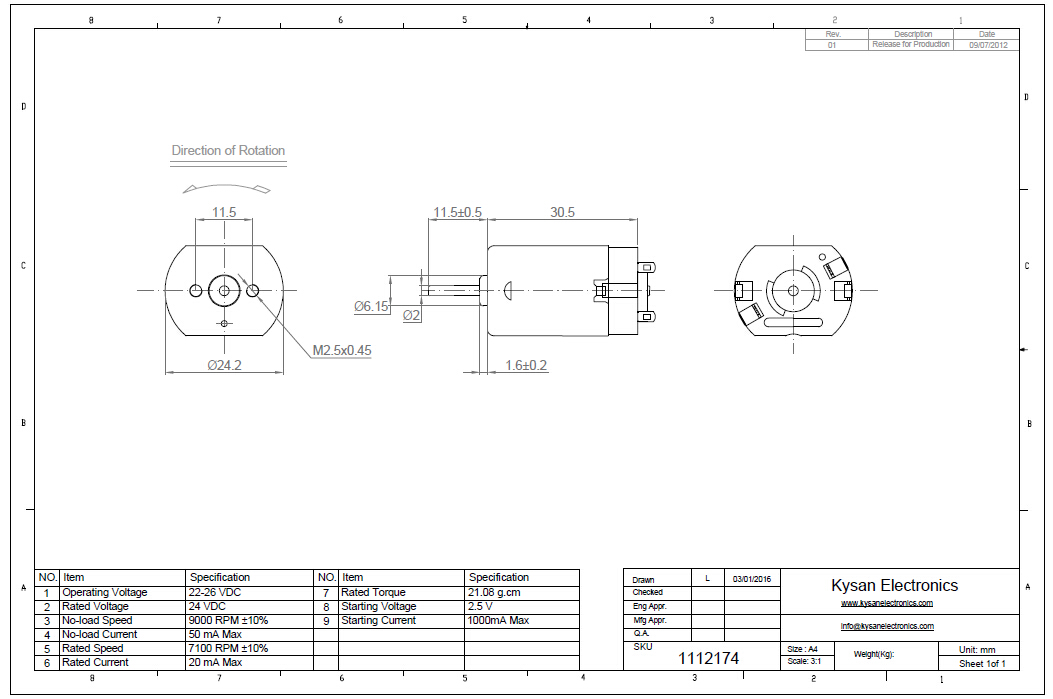
DC Motors
3373 Active
Data Group: 3373
SKU: 1112174
Weight (Kg): 0.1000
Decsription: FK-280PA-10400
HS Code: 8483.40.9000
Applications:

©2003 KYSAN ELECTRONICS All Rights Reserved! www.kysanelectronics.com