Spur Geared Motors
4844 Active
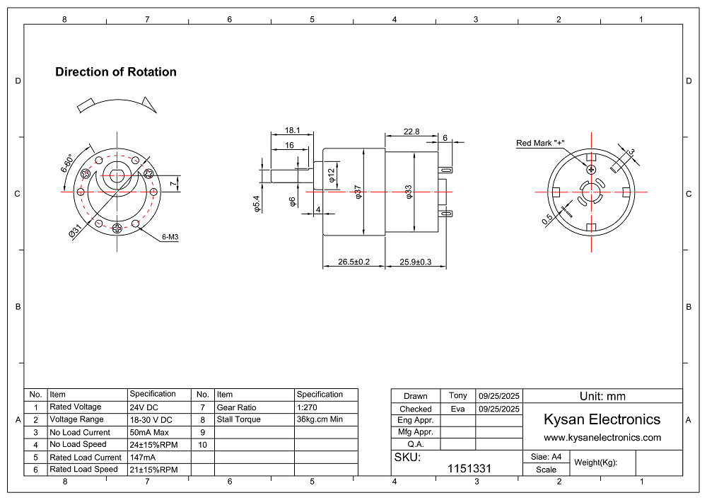
Data Group: 4844
SKU: 1151331
Weight (Kg): 0.5000
Decsription: B38-24V24RPM-18D-270
HS Code:
Applications:

©2003 KYSAN ELECTRONICS All Rights Reserved! www.kysanelectronics.com