Planetary Motors
4882 Active
Data Group: 4882
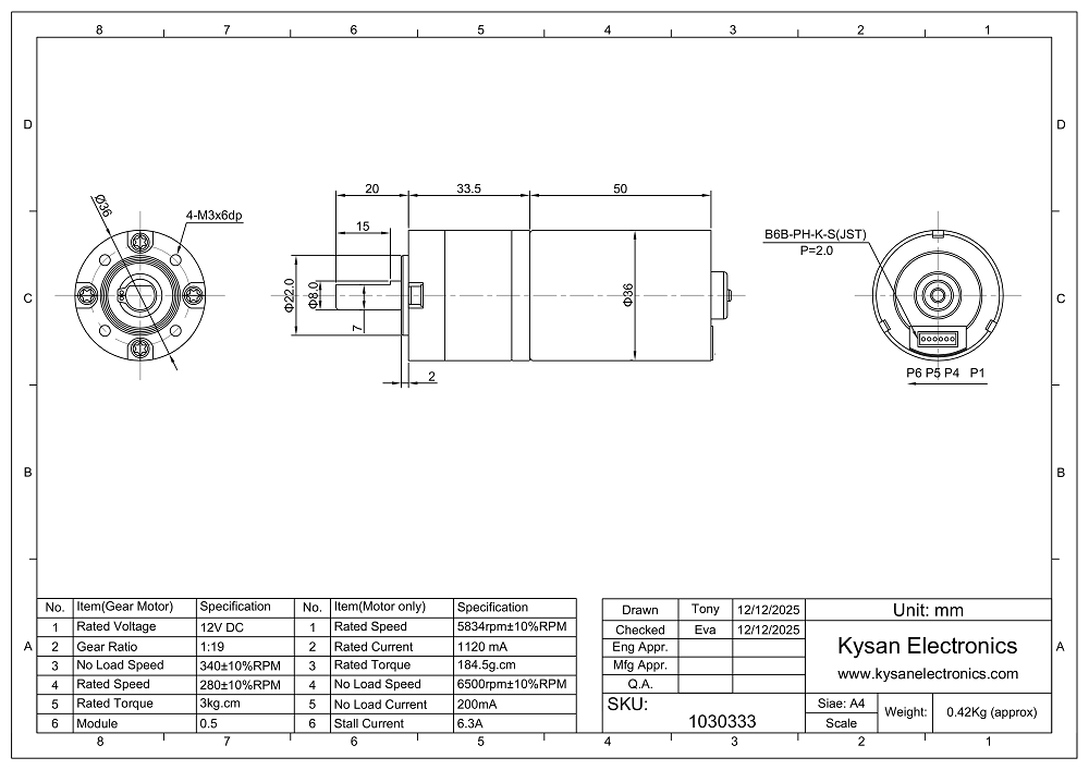
SKU: 1030333
Weight (Kg): 1.0000
Decsription: TG-36GMP-12V1/19-340B
HS Code:
Applications:

©2003 KYSAN ELECTRONICS All Rights Reserved! www.kysanelectronics.com