Planetary Motors
4883 Active
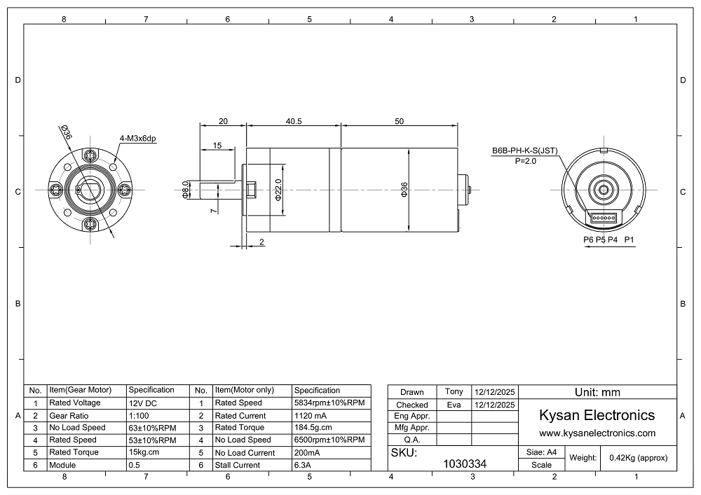
Data Group: 4883
SKU: 1030334
Weight (Kg): 1.0000
Decsription: TG-36GMP-12V1/100-63B
HS Code:
Applications:
©2003 KYSAN ELECTRONICS All Rights Reserved!
www.kysanelectronics.com