Planetary Motors
4886 Active
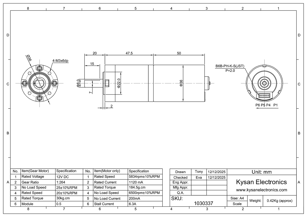
Data Group: 4886
SKU: 1030337
Weight (Kg): 1.0000
Decsription: TG-36GMP-12V1/264-25B
HS Code:
Applications:

©2003 KYSAN ELECTRONICS All Rights Reserved! www.kysanelectronics.com