Planetary Motors
4889 Active
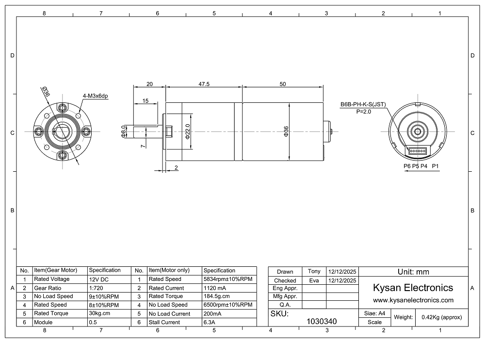
Data Group: 4889
SKU: 1030340
Weight (Kg): 1.0000
Decsription: TG-36GMP-12V1/720-9B
HS Code:
Applications:

©2003 KYSAN ELECTRONICS All Rights Reserved! www.kysanelectronics.com