Planetary Motors
4891 Active
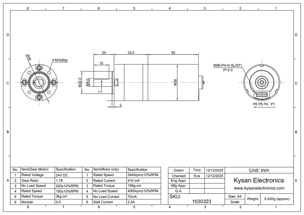
Data Group: 4891
SKU: 1030323
Weight (Kg): 1.0000
Decsription: TG-36GMP-24V1/19-200B
HS Code:
Applications:

©2003 KYSAN ELECTRONICS All Rights Reserved! www.kysanelectronics.com